- www.aprilflower.org
- パーツレビュー
- タイヤ・ホイール
- タイヤ
- キッチン・日用品・その他
- その他
- {{prodcut_title}}
7営業日以内発送 F T 50 F型ボールバルブレギュラーボール FT 販売不可
7営業日以内発送 F T 50 F型ボールバルブレギュラーボール FT 販売不可
4.3点
(42件)
レビュー一覧 42件 (総件数:42件)
おすすめの商品
Yahoo!ショッピングの商品を見る
[PR]
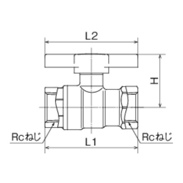
【商品説明】
●スタンダードボア設計のボールバルブ。
●呼び径:Rc2
●材質:黄銅
●許容圧力[MPa]:2.8(-15℃~100℃)、0.5(~150℃)
●使用流体:冷温水・不凍液・油・エアー
●L1[mm]:109
●L2[mm]:110
●H[mm]:74
カテゴリー:
キッチン・日用品・その他##その他
商品の状態:
新品、未使用
配送料の負担:
送料無料
配送の方法:
未定(出品者が手配)
発送元の地域:
京都府
発送までの日数:
2~5日
マイページでカーライフを便利に楽しく!!
イベント・キャンペーン
-
4250 円










