- www.aprilflower.org
- パーツレビュー
- タイヤ・ホイール
- タイヤ
- キッチン・日用品・その他
- その他
- {{prodcut_title}}
7営業日以内発送 SBFF 2 32 2型 ボールバルブ 232 販売不可
7営業日以内発送 SBFF 2 32 2型 ボールバルブ 232 販売不可
4.6点
(465件)
レビュー一覧 465件 (総件数:465件)
おすすめの商品
Yahoo!ショッピングの商品を見る
[PR]
【商品説明】
●フルボア設計で大流量配管に最適。
●材質はオーステナイト系ステンレスですので、優れた耐食性。
●住宅、水処理、上下水道、食品をはじめ化学産業機械や公害防止機器、半導体製造設備に至るまで幅広く使用可能。
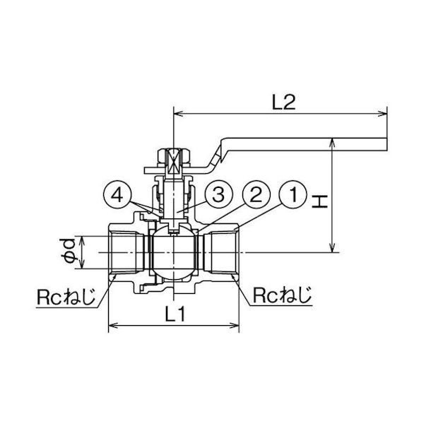
●呼び径:Rc11/4
●材質:ステンレス(SUS304)
●使用温度範囲[℃]:-20~180
●最高許容圧力[MPa]:5.6(常温の水・油、可燃性・毒性以外のガス)、1.0(飽和蒸気)
●L1[mm]:98
●L2[mm]:151.5
●H[mm]:77
●φd[mm]:31
カテゴリー:
キッチン・日用品・その他##その他
商品の状態:
新品、未使用
配送料の負担:
送料無料
配送の方法:
未定(出品者が手配)
発送元の地域:
京都府
発送までの日数:
2~5日
マイページでカーライフを便利に楽しく!!
イベント・キャンペーン
-
5750 円










